1. ホーム
  2. 製品紹介
  3. 精密バイス
  4. ワイヤー加工ツーリング
  5. JWS948

精密バイス

Category4

精密ワイヤーカットバイス

ワイヤー加工ツーリング

JWS948

    • ワイヤー加工用に開発されたクランプ治具です。
    • 錆・摩耗に強いマルテンサイト系ステンレスを使用しています。
    • バイス本体にワークの水平・平行微調整機構を備えています。
    • 丸物ワーク用Vブロックもご用意しております。(オプション)
    • JWS948はストッパーがワークスタンド基準面より上にある為、 ノズルとの干渉を防止しています。
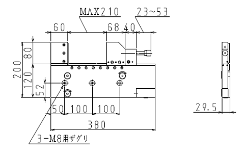
    口開き (mm) 210
    口幅 (mm) 80
    口金高さ (mm) 22

     

    仕様

     

     

    寸法図

    付属情報

    水平・平行調整機能


    Environmental and social contribution
    • Basic policy
    • Environmental Initiatives
    • Management system
    Close Bitnami banner
    Bitnami