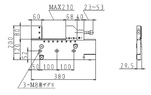
Wire Processing Toolings JWS948 Developed as clamping JIG for wire processing. Made of martensitic stainless steel, high resistance to corrosion and wear. There is horizontal/parallel fine adjustment feature on the vise main body. This product because the stopper is above the workpiece stand reference plane,This prevents interference with the nozzle. Jaw Opening (mm) 210 Jaw Width (mm) 80 Jaw Height (mm) 22 Specifications Dimensions
Developed as clamping JIG for wire processing. Made of martensitic stainless steel, high resistance to corrosion and wear. There is horizontal/parallel fine adjustment feature on the vise main body. This product because the stopper is above the workpiece stand reference plane,This prevents interference with the nozzle. Jaw Opening (mm) 210 Jaw Width (mm) 80 Jaw Height (mm) 22