1. HOME
  2. Products
  3. Precision Vises
  4. Precision Vises
  5. DM30C

Precision Vises

精密バイス

Precision Stainless Vise

Precision Vises

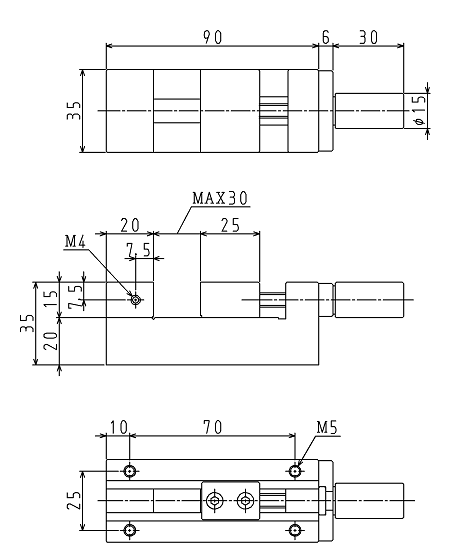
DM30C

    • Improved stability when put on lateral position of jaw opening-closing by handle type of precision vise.
    Jaw Opening (mm) 30
    Jaw Width (mm) 35
    Jaw Height (mm) 15

    Specifications

     

    Dimensions