1. HOME
  2. Products
  3. Precision Vises
  4. Circular Workpiece Clamp Toolings
  5. TDC76-J

Precision Vises

精密バイス

Precision Ball Lock Chuck (two-dimensional specifications)

Circular Workpiece Clamp Toolings

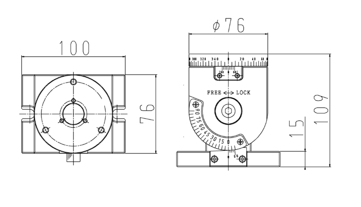
TDC76-J

    • Rotary table serving as base when attaching the optional chuck.
    • Hold part angle can be set from 0 to 90° with use of a simple indexing function, with the chuck section component capable of 360° rotation.
    • This unit is made using stainless steel. The compact design facilitates use in various different  processing environments without concern about location.

    Specifications

    Dimensions

    Associated Info

    Ball lock chuck system structure